Горизонтальный одноосевой поворотный стол с хиртовым зацеплением ЧПУ HIT-630 GSA+
| Модель: | ![]()  | 
                            HIT-630  | 
                    
| Производитель: | ![]()  | 
                            GSA | 
Горизонтальные одноосевые поворотные столы с хиртовым зацеплением предназначены для горизонтальных ОЦ. Встроенное хиртовое зацепление, состоящее из 3 частей, обеспечивает точность позиционирования ±2” или ±3”, в зависимости от требований заказчика. Повторяемость ±0.5”
За счет 3-компонентной конструкции зацепления, поверхность стола не приподнимается во время поворота. Система зажима с большой поверхностью контакта обеспечивает большую жесткость при силовом резании.
Червячное колесо из бронзово-никелевого сплава в сочетании с червяком из закаленной стали обеспечивают высокую точность позиционирования длительное время. Вращение в прямом и обратном направлении.
Технические характеристики HIT-630 |   	|||
|---|---|---|---|
| Характеристика | Ед. изм. | Значение | |
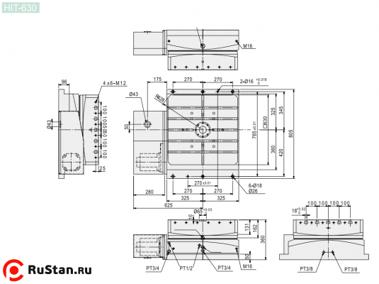
| Размер стола | мм | 630x630 | |
| Общая высота | мм | 285 | |
| Центральное отверстие | мм | 40Н7 | |
| Ширина Т-пазов | мм | 20Н7 | |
| Направление вращения | CW / CCW | ||
| Мощность привода зажима/разжима | кг/см2 | Гидравлический, 25 | |
| Тип сервомотора | Meldas | тип | НF-354S | 
| Fanuc | a22i | ||
| Siemens | 1FK7101 | ||
| Heidenhein | QSY155D | ||
| Передаточное число | 1:180 | ||
| Минимальный угол | град. | 1 (5) | |
| Максимальные обороты | об/мин | 11,1 | |
| Вес нетто (без двигателя) | кг | 525 | |
| Усилие зажима | кг*м | 4000 | |
| Грузоподъемность | кг | 2500 | |
| Точность позиционирования | с | ±5" | |
Комментарии и вопросы:
Комментариев пока нет, но ваш может быть первым.Разметить комментарий или вопрос
                                        

        
        
