Одноосевой поворотный стол с хиртовым зацеплением ЧПУ NCF-400R GSA+
| Модель: | ![]()  | 
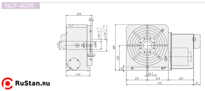
                            NCF-400R  | 
                    
| Производитель: | ![]()  | 
                            GSA | 
Встроенное хиртовое зацепление, состоящее из 3 частей, обеспечивает точность позиционирования ±5”. За счет 3-компонентной конструкции зацепления, поверхность стола не приподнимается во время поворота. Возможно как прямое подключение к 4-й управляющей оси станка, так и подсоединение через М-коды, с применением 1-осевого шагового или асинхронного контроллера GSA+
Технические характеристики NCF-400R |   	|||
|---|---|---|---|
| Характеристика | Ед. изм. | Значение | |
| Диаметр | мм | 400 | |
| Высота центров при вертикальной установке | мм | 250 | |
| Высота поверхности стола при горизонтальной установке | мм | 250 | |
| Общая высота при вертикальной установке | мм | 460 | |
| Центральное отверстие | мм | 70Н7 | |
| Ширина Т-пазов | мм | 14Н7 | |
| Ширина направляющего сухаря | мм | 18Н7 | |
| Тип сервомотора | Meldas | тип | НF-204S | 
| Fanuc | a12i | ||
| Siemens | 1FK7083 | ||
| Heidenhein | QSY155B | ||
| Передаточное число | 1:180 | ||
| Минимальный угол | град | 1/5 | |
| Максимальные обороты | об/мин | 22,2 | |
| Повторяемость | Однонаправленный | с | ±1” | 
| Двунаправленный | ±2” | ||
| Вес нетто (без двигателя) | кг | 280 | |
| Усилие зажима | кг*м | 600 | |
| Грузоподъемность при вертикальной установке (с задним центром) | кг | 500 | |
Комментарии и вопросы:
Комментариев пока нет, но ваш может быть первым.Разметить комментарий или вопрос
                                        

        
        
