Одноосевой поворотный стол ЧПУ CNC-320R GSA+
| Модель: | ![]()  | 
                            CNC-320R  | 
                    
| Производитель: | ![]()  | 
                            GSA | 
Комбинация высокоточного червячного колеса из бронзо-никелевого сплава и стального закаленного червяка обеспечивают длительное сохранение точности позиционирования.
Многоточечная пневматическая или гидравлическая тормозная система обеспечивает превосходное усилие зажима, исключающее вибрацию при силовом резании.
Универсальный интерфейс, позволяющий проводить как контурную обработку с применением 4-й оси, так и индексирование по М-кодам при позиционной обработке.
Увеличенное отверстие в шпинделе позволяет закреплять трубные заготовки. Поворотные столы данного типа широко применяются на вертикальных обрабатывающих центрах и фрезерных станках. Двигатель может быть установлен как с правой, так и с левой стороны.
Технические характеристики CNC-320R GSA+ |      ||
|---|---|---|
| Параметр | Ед. изм. | Значение | 
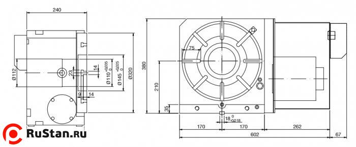
| Диаметр | мм | 320 | 
| Высота центров при вертикальной установке | мм | 210 | 
| Высота стола при горизонтальной установке | мм | 240 | 
| Общая высота при вертикальной установке | мм | 380 | 
| Вес CNC-320R нетто (без двигателя) | кг | 210 | 
| Центральное отверстие | мм | 110Н7 | 
| Ширина Т-пазов | мм | 14Н7 | 
| Ширина направляющего сухаря | мм | 18Н7 | 
| Сервомотор Meldas | HF-204S | |
| Сервомотор Fanuc | a12i | |
| Сервомотор Siemens | 1FK7083 | |
| Сервомотор Heidenhein | QSY155B | |
| Передаточное число | 1:180/1:90 | |
| Минимальный угол | град | 0,001 | 
| Максимальные обороты | об/мин | 11,1/22,2 | 
| Усилие пневмозажима | кг*м | 71 | 
| Усилие гидрозажима | кг*м | 142 | 
| Класс точности позиционирования | 15” | |
| Повторяемость (Однонаправленный) | с | ±4” | 
| Повторяемость (Двунаправленный) | с | ±8” | 
| Макс. усилие резания | кг*м | 78 | 
| Максимальные нагрузки | |||
|---|---|---|---|
| Параметр | Схема | Ед. изм. | Значение | 
| Максимальная вертикальная нагрузка | ![]()  |         кг | W = 175 | 
| Максимальная горизонтальная нагрузка | ![]()  |         кг | W = 350 | 
| Максимальное радиальное усилие | ![]()  |         кг | F = 2500 | 
| Максимальное радиальное усилие | ![]()  |         кг*м | FxL = 142 | 
| Максимальное радиальное усилие | ![]()  |         кг*м | FxL = 200 | 
Комментарии и вопросы:
Комментариев пока нет, но ваш может быть первым.Разметить комментарий или вопрос
                                        

        
        





